Unique RV-ST
통합된 IP 컨버터와 push-and-play 설정을 갖춘 Unique RV-ST 조절 밸브는 위생 및 안전에 대한 최고 프로세스 요구를 충족시킵니다. Unique SSV 플랫폼을 기반으로 하여 대량의 위생 액체 처리 어플리케이션에 이상적입니다.
Hygienic corrosion-free regulating valve
Alfa Laval Unique RV-ST는 시간당 9 ~ 246m3의 Kv 값으로 공정 흐름을 안전하고 효과적으로 제어하는 지능형 위생 조절 밸브입니다. 식음료, 양조장, 생명 공학, 제약 및 화학 산업에서 계량, 혼합, 계량, 충전 시스템 업무와 같은 다양한 유체 취급 업무를 위해 설계되었습니다. 테이퍼형 스테인리스 스틸 스템과 같은 부식 방지 기능은 EHEDG (European Hygienic Engineering & Design Group) 지침에 따라 제품 안전을 보장합니다.
Advanced electro-pneumatic controller
Unique RV-ST 조절 밸브는 IP 변환기가 통합된 고급 전기 공압 컨트롤러와 함께 제공됩니다. 다양한 압력 강하와 스트로크 길이를 결합하여 제품 흐름을 효과적으로 제어할 수 있습니다. 또한 밸브 스핀들의 위치를 측정하는 비접촉식 아날로그 위치 센서와 표준 Profibus DP-V1 또는 선택적 DeviceNet 통신 인터페이스가 있습니다. 옵션으로 아날로그 또는 이진 피드백을 사용할 수 있습니다.
Easy push-and-play regulating valve setup
버튼을 누르면 Alfa Laval Unique RV-ST 조절 밸브가 자동으로 보정되어 완전히 작동합니다.
Reliable, easy to maintain
Alfa Laval Unique RV-ST UltraPure는 1 백만 개 이상의 밸브가 설치된 입증된 Unique SSV (Single Seat Valve) 플랫폼을 기반으로 동일한 안정성, 안전성 및 유지 보수 용이성을 제공합니다. 거친 공정 환경을 위한 보호 등급 IP65 및 IP67을 제공합니다.
A regulating valve with maximum flexibility
Alfa Laval Unique SSV 밸브와 동일한 몇 가지 이동식 구성 요소, 예비 부품 및 유지 관리 도구 및 절차를 사용합니다. 사용 가능한 업그레이드 키트를 사용하면 기존 제어 밸브를 새로운 제어 장치로 업그레이드 할 수 있습니다. 새로운 제어 장치는 또한 NC (Normally Closed)에서 NO (Normally Open)로 또는 그 반대로 액츄에이터의 재구성을 지원합니다.
Product Benefits
- Intelligent hygienic regulating valve
- Easy push-and-play regulating valve setup
- Maximum flexibility
제품 카탈로그

사용 방법
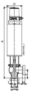
Construction
IP 변환기가 통합된 Alfa Laval Unique RV-ST 조절 밸브는 2 세대 단일 시트 밸브입니다. 특징 :
- 스테인리스 스틸 테이퍼 밸브 스템의 광범위한 선택
- 제품 흐름을 정밀하게 제어 할 수있는 전기 공압식 프로세스 컨트롤러가 있는 고유한 액추에이터
- 금속 대 금속 갤링을 제거하는 견고하고 오래 지속되는 플라스틱 스템 부싱
- 고유 한 밸브 시리즈 전체에서 사용되는 표준 EPDM 플러그 씰
스템은 액츄에이터 샤프트에 나사로 고정되어 스템과 액츄에이터 사이의 커플 링을 제거하여 올바른 정렬을 보장합니다. 액츄에이터 실린더 끝의 부싱은 스템을 지지하고 완벽한 정렬을 보장합니다.
Operating principle
Alfa Laval Unique RV-ST 조절 밸브는 디지털 전기 공압 프로세스 컨트롤러를 통해 원격 위치에서 제어 할 수 있습니다.
제어 장치는 디스플레이 유무에 관계없이 두 가지 버전으로 제공됩니다. 아날로그 4-20 mA 통신 인터페이스가 있으며 IP66 및 IP67에 따라 보호됩니다.
Advanced electro-pneumatic controller
The flow rate control valve comes with an advanced electro-pneumatic controller with an integrated IP converter. This offers superior control of product flow by combining different pressure drops and stroke lengths. It also features a contact-free analog position sensor, which measures the position of the valve spindle, and a standard Profibus DP-V1 or optional DeviceNet communications interface. Analogue or binary feedback is available as options.
Easy push-and-play regulating valve setup
With a push of a button, the flow rate regulator valve automatically calibrates itself so that it is fully operational.
Reliable, easy to maintain
Built on the proven Unique SSV (Single Seat Valve) platform, which has an installed base of more than one million valves, the Alfa Laval Unique RV-ST UltraPure offers the same reliability, safety and ease of maintenance. Its offers protection class IP65 and IP67 for tough process environments.
A regulating valve with maximum flexibility
It uses the same few moveable components, spare parts and maintenance tools and procedures as Alfa Laval Unique SSV valves. Using the upgrade kit available, it is possible to upgrade older regulating valves with the new control unit. The new control unit also supports rebuild of the actuator from NC (Normally Closed) to NO (Normally Open) and vice versa.
