LabUnit M37/38

알파라발 LabUnit M37/38은 한외여과 및 미세여과 막 공정을 위한 완전히 통합된 플레이트 및 프레임 시스템입니다. 이 장치의 모듈은 알파라발의 본격적인 막 여과 모듈과 동일한 지지 플레이트 및 막을 사용합니다. 따라서 알파라발 LabUnit M37/38은 공정 개발, 규모 확장(스케일 업), 막 테스트, 품질 보증 및 소규모 생산을 위한 유연한 도구입니다. 점도/고형분 함량이 다른 공급물에 옵션 플레이트 세트를 사용할 수 있습니다

labunit m37 m38 right side 640x360

막 여과 테스트를 위한 완전히 통합된 사용하기 쉬운 파일럿 장비

  • 완벽하게 통합 – LabStakTM M37/38 모듈, 펌프, 배관, 밸브, 열교환기 및 계측기와 함께 제공
  • 유연성 - 유동과 압력을 최적화하기 위한 서로 다른 채널 높이 선택 사양
  • 간편한 막 교환, 유연한 막 면적(0.11 ~ 1.05m²) 및 최대 7가지 다른 막 유형의 동시 테스트
  • 높은 사용 온도(최대 80°C)
  • 내부 부피 적음
알파라발 LabUnit M37/38은 한외여과 및 미세여과용 평판형 막 전제품군을 장착할 수 있습니다. 유량 패턴은 더 큰 시스템에서와 유사하여 여과 장비를 쉽게 확장하고 테스트할 수 있습니다. 이 장치는 산업용 플랜트의 바이패스 스트림에 연결될 수 있습니다. 모든 구성 요소는 FDA 규정을 준수하므로 식품 및 제약 처리 응용 분야에서 사용할 수 있습니다.

플레이트 세트 선택

알파라발 LabUnit M37/38에는 유량과 압력을 최적화하기 위해 채널 높이가 다른 여러 플레이트 세트가 있습니다.

M37 플레이트 세트 고점도 액체용
M38H 플레이트 세트 하이 채널, 중점도 액체용
M38L 플레이트 세트  로우 채널, 저점도 액체용

선택 사양

labstak-m37-m38_320x180.png

알파라발 LabUnit M37/38에 장착된 알파라발 LabStakTM M37/38 모듈은 알파라발 LabUnit M37/38과 동일한 응용 분야에 대해 별도의 테스트 모듈로 사용 가능하며 동일한 속성을 갖습니다.

 

LabStakTM 모듈

LabStak module branded feature logo.png고유한 천공 플레이트 설계를 스택에 배치하여 동시에 동일한 공정 조건에서 다양한 막을 실험실 테스트할 수 있습니다.

.

사용 방법

.
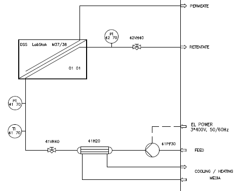
일반 설치 흐름도
Flow diagram of typical membrane filtration installation

알파라발 파일럿 유닛 멀티는 스키드 장착형 장치로 제공되며 작동에 필요한 모든 계기, 장비 및 조립식 배관이 포함되어 있습니다. 제품 피드, 유틸리티 및 전원 공급 장치를 설치하고 연결하기만 하면 됩니다.  

제품은 공급 밸브를 통해 탱크로 들어갑니다(레벨 제어 포함). 그런 다음 시스템이 자동으로 펌프 속도를 조정하고 필요한 교차 흐름 속도를 유지하여 오염을 줄이고 제품의 부드러운 농도를 보장하는 막 여과 단계로 펌핑됩니다.

운영자는 유닛 트랜스미터용 데이터 로깅 시스템을 포함하는 MemProC® PLC 기반 제어 시스템에서 컨트롤러를 조정할 수 있습니다. 데이터는 USB로 다운로드할 수 있습니다.